Standardmodell Einflansch-Gummikompensator für Schwingungsdämpfung.
EPDM-Gummi wird direkt auf einen DIN-Flansch vulkanisiert, wodurch die perfekte Dichtfläche und die minimale Installationslänge gewährleistet werden.
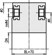
Detaillierte technische Angaben zu den Gummi-Kompensatoren des Typs C1 finden Sie in der folgenden Tabelle und in den Dokumenten oder kontaktieren Sie uns.


* Dieses Produkt ist nur zur Kompensation von Vibrationen mit geringer Amplitude vorgesehen
| Gummi | Farbe | Verbreitet | Max. erlaubt | |||
|---|---|---|---|---|---|---|
| Qualität | Anwendungen | Temperatur | ||||
| EPDM | rot | warm / industrielles Wasser | 90 °C | |||
* Zur korrekten Identifizierung der erforderlichen Gummiqualität lesen Sie bitte unsere vollständige Gummikompatibilitätstabelle
Nominal | Insgesamt | Bewegungen | ||
|---|---|---|---|---|
Durchmesser | Länge | Axial | Lateral | Angular |
25 | 70 | Vibrationen | ||
32 | 70 | Vibrationen | ||
40 | 70 | Vibrationen | ||
50 | 70 | Vibrationen | ||
65 | 70 | Vibrationen | ||
80 | 70 | Vibrationen | ||
100 | 70 | Vibrationen | ||
125 | 70 | Vibrationen | ||
150 | 70 | Vibrationen | ||
200 | 70 | Vibrationen | ||