Standardmodell Einflansch-Gummikompensator für Schwingungsdämpfung.
Spezieller EPDM-Gummi wird direkt auf einem DIN-Flansch vulkanisiert und gewährleistet so eine perfekte Dichtfläche und minimale Einbaulänge. EPDM-SP ermöglicht den Betrieb bei hohen Temperaturen / Anwendungen.
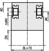
Detaillierte technische Angaben zu den Gummi-Kompensatoren des Typs C2 finden Sie in der folgenden Tabelle und in den Dokumenten oder kontaktieren Sie uns.


* Dieses Produkt ist nur zur Kompensation von Vibrationen mit geringer Amplitude vorgesehen
| Gummi | Zeichen | Farbe | Verbreitet | Max. erlaubt | ||
|---|---|---|---|---|---|---|
| Qualität | Anwendungen | Temperatur | ||||
| EPDM-SP | rot | Warmwasser / Heizsysteme | 110 °C | |||
* Zur korrekten Identifizierung der erforderlichen Gummiqualität lesen Sie bitte unsere vollständige Gummikompatibilitätstabelle
Nominal | Insgesamt | Bewegungen | ||
|---|---|---|---|---|
[mm] | [mm] | Axial | Lateral | Angular |
25 | 70 | Vibrationen |
| |
32 | 70 | Vibrationen |
| |
40 | 70 | Vibrationen |
| |
50 | 70 | Vibrationen |
| |
65 | 70 | Vibrationen |
| |
80 | 70 | Vibrationen |
| |
100 | 70 | Vibrationen |
| |
125 | 70 | Vibrationen |
| |
150 | 70 | Vibrationen |
| |
200 | 70 | Vibrationen |
| |